Заказать запасные части для культиватора ИМТ ФОП (IMT FOP) 616.16 и 616.12 в «АгроТехИмпорт»
Фирма «АгроТехИмпорт» уже пять лет специализируется на поставках и продаже топового оборудования для садов и виноградников, включая запасные части для культиватора ИМТ ФОП (IMT FOP). Мы ведем свои дела без посредников и доставляем все товары и изделия непосредственно со складов производителя. Такой подход дает гарантию высокого качества изделий, отсутствия подделок, быстрой доставки любого объема заказа из пункта А в пункт Б. Мы ориентированы как на розничных, так и на оптовых клиентов, и принимаем оплату заказа всеми доступными способами. Все наши товары также имеют необходимые документы и сертификаты, подтверждающие их надежность и подлинность.
Кроме запчастей для различного сельскохозяйственного оборудования и самого оборудования, на нашем сайте вы найдете и другие необходимые инструменты для ухода за садами и виноградниками, комплектующие элементы для их организации, материалы для посадки и многое другое. Как только вы создадите и оплатите заказ, мы сразу же приступим к его сборке и доставке. Доставка производится за счет сил транспортных компаний и по их тарифам. Также возможен самостоятельный вывоз товаров с нашего склада по предварительной договоренности.
Запасные части для культиватора ИМТ ФОП (IMT FOP) 616.16 и 616.12 на заказ
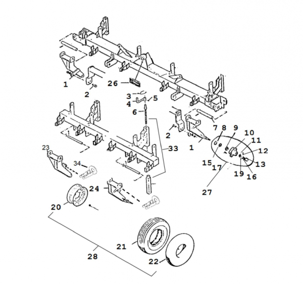
Культиватор ИМТ ФОП (IMT FOP) 616.16 и 616.12 – это специализированная единица сельскохозяйственной техники, которая необходима для подготовки почвы к посеву. Данный этап считается одним из самых важных в земледелии, поэтому роль культиватора является ключевой. Чтобы избежать простоя в сезон работ и не переживать о поломках, наши клиенты предпочитают заранее купить запасные части и быть спокойными и уверенными в их качестве. В нашем каталоге вы найдете, комплект подшипников 616.23.270, лапка 105 мм 616.20.015, диск 7 сварной узел 616.43.500, выравниватель 1500 - сварной узел 616.02.040, рамы диска сварного узла 616.94.100, луки, специальные болты, цилиндры, пружина нажатия 616.02.003 и многое другое.
Чтобы получить более подробную информацию по нашему ассортименту или любым другим вопросам, позвоните нам по специальному номеру или оставьте контакты в форме обратной связи. Наша служба поддержки обработает запрос и перезвонит вам в самое короткое время.
