В наличии и под заказ на складе в Краснодаре
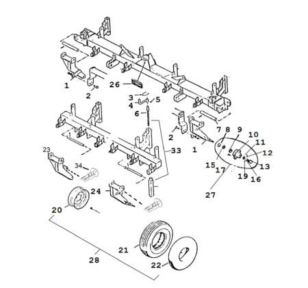
616 23 270 Подшипник комплект
616 02 130 Пружинодержатель
616 02 030 Держатель пружины
616 02 004 Опора пружины
616 94 100 Рама диска-сварной узел
616 23 207 Палец диска
616 63 010 Регулятор глубины
616 02 020 Держатель-сварной узел
616 02 003 Пружина нажатия
616 02 260 Трубопровод-750
616 02 270 Трубопровод-1250
616 02 280 Трубопровод-1550
616 02 290 Трубопровод-3800
616 02 250 Трубопровод-4000
616 02 380 Опора колеса правая
616 02 390 Опора колеса левая
616 20 008 Болт специальный
616 20 007 Держатель
ФИС8162-С Муфта
ЮСМ.Ц4.500 Уплотнение
5,00*15 Обод колеса
680*180*15 Камера
680*180*15 С/х шина
616 02 230 Цилиндр подъёма
616 02 240 Цилиндр подъёма
616 01 570 Цилиндр для секции /звена/
616 01 400 Цилиндр для секции /звена/ - узел
616 43 500 Диск 7-сварной узел
616 02 120 Устройство для настройки глубины ротора в сборе
IS 2106 Болт
IS 2281 Шайба пружинная
IS 2172 Гайка
616 20 015 Лапка ут. ножка 105 мм
616 02 770 Ступица комплект в сборе
616 03 289 Цилиндр для трансп. колёс
616 03 288 Цилиндр
616 03 293 Цилиндр
616 03 289 Цилиндр
616 00 309 Ступица
616 02 010 Держатель переднего выравнивателя
616 20 090 Упругая "S"образная стойка
616 02 062 Распределитель
616 20 083 Болт
616 20 082 Двухсторонняя копьевидная лапка 35 мм
616 02 040 Выравниватель 1500-сварной узел
616 20 231 Палец
616 02 140 Внешние тяги
616 00 450 Регулятор
616 02 310 Опора колеса правая
616 02 320 Опора колеса левая
616 00 440 Шпиндель винтовой
555 17 240 Подшипник
555 01 840 Подшипник
616 00 092 Палец
616 00 091 Клин
616 00 094 Шайба
616 00 093 Пружина нажатия
616 22 004 Стопор шпинделя
638 40 004 Стопор шпинделя
616 00 460 Ручка-саврной узел
616 00 440 Шпиндель винтовой-сварной узел
Принимаем оплату одним из нескольких способов:
Безналичный расчет
После оформления заказа в нашем интернет-магазине с вами свяжется менеджер и направит вам QR-код для оплаты, отсканировать его и оплатить покупку можно через приложение вашего банка.
Оплата юридическими лицами возможна только по безналичному расчёту. Все необходимые для бухгалтерии документы (оригинал счёта на оплату, УПД, договор) выдаются вместе с заказом при получении.
Наличный расчёт
Вы можете оплатить заказ наличными в нашем офисе.
* Работаем с физическими и юридическими лицами по 100% предоплате. Для получения необходима доверенность.
Доставка заказанного и оплаченного Вами товара осуществляется по тарифам ТК.
Мы бесплатно доставим Ваш товар до терминала ТК в г. Краснодаре. Для габаритных заказов и заказов весом более 300 кг можно заказать выезд ТК к нам на склад. Адрес доставки товара необходимо указывать при оформлении заказа. Если вы хотите изменить адрес доставки после оформления заказа, свяжитесь с нами:
по электронной почте:
info@agrotehimport.com
или по WhatsApp +7 928 661-72-99
Способы доставки по России
- СДЕК
- Деловые Линии
- Другие транспортные компании по согласованию
Самовывоз
Вы можете забрать заказ самостоятельно с нашего склада. Записаться на отгрузку вы можете по по телефону +7 928 661-72-99 или электронной почте info@agrotehimport.com.
Важная информация:
Мы не несем ответственность за сроки доставки товара после передачи его в ТК.
